Das Steckbrett¶
Grundlagen¶
Schaltungen auf einem Steckbrett aufbauen - das bietet viele Möglichkeiten, um auf einfachstem Weg Elektronik kennenzulernen und selbst zu entwickeln. Hier bekommt Ihr alle Grundlagen kurz erklärt und vier Schaltungen zum Durchstarten. Viel Spaß!
Steckbrett¶
Das Steckbrett, auch genannt Breadboard, bietet die Möglichkeit, kleine Schaltungen ohne viel Aufwand zu testen. Es gibt Steckbretter in verschiedenen Größen, ihre Funktionsweise ist die gleiche: Die Löcher von je einer halben Reihe sind miteinander verbunden (z.B. 1 A-E und 1 F-J), sodass ein elektrischer Kontakt besteht. Zwischen den Reihen besteht keine Verbindung. Mit ein wenig Übung können so viele Experimente einfach auf dem Schreibtisch gemacht werden.
Strom und Spannung - Wasser marsch!¶
In der Elektrotechnik dreht sich (fast) alles um Strom und Spannung. Ein übliches Bild für ein leichtes Verständnis ist Strom als fließendes Wasser und Spannung als ein Druckunterschied. Wasser aus einem Behälter mit höherem Druck fließt in einen Behälter mit niedrigerem Druck, wenn sie miteinander verbunden sind. Eine Leitung kann man sich als Rohr vorstellen, Ladung sind einzelne Wassertropfen. Dieses Bild wird im folgenden verwendet, um die Funktion der einzelnen Bauteile zu erläutern. Aber es ist nur eine Vereinfachung - es lassen sich natürlich nicht alle Effekte so beschreiben. Die Einheit für Spannung ist Volt, kurz "V" , Strom wird in Ampère angegeben, kurz "A".
Widerstand¶
Ein Widerstand definiert den Strom, der bei einer angelegten Spannung fließt. Analog dazu kann man sich ein Wasserrohr vorstellen, das einen größeren oder kleineren Durchmesser haben kann und entsprechend mehr oder weniger Wasser - Strom - fließen lässt.
Die Einheit des Widerstandes ist \(\Omega\), gesprochen "Ohm". Bei 1000 \(\Omega\) spricht man von 1 k\(\Omega\), gesprochen "Kilo Ohm", bei 1000000 \(\Omega\) ist es 1 M\(\Omega\), gesprochen "Mega Ohm". Die Werte der Widerstände lassen sich an Farbringen auf dem Gehäuse ablesen, wie in der folgenden Abbildung gezeigt ist. Widerstände haben keine Richtung, sie können nicht verpolt werden beim Einbau.
Sogenannte "Potentiometer" sind einstellbare Widerstände: Über einen Drehregler kann ihr Wert verändert werden. Sie haben drei Anschlüsse: Zwei an den Enden des Gesamtwiderstands und einen an dem Abnehmer, der durch den Drehregler eingestellt wird.
![]() |
![]() |
|---|---|
| Steckbrett Symbol - Das mittlere Bein des Potentiometers ist der Abnehmer am Drehregler. | Schaltplan Symbol - Der Abnehmer des Potentiometers wird durch den Pfeil rechts symbolisiert. |
Kondensator¶
Kondensatoren speichern Ladung, wie ein großes Wasserbecken. Ihre Größe ist die Kapazität mit der Einheit Farad. Eine übliche Größe ist z.B. "µF" , gesprochen "Mikro Farad". Wie viel Farad ein Kondensator hat steht häufig auf dem Gehäuse.
Kondensatoren bestehen aus zwei leitenden Platten, die durch ein Isolationsschicht (Dielektrikum) getrennt sind. Dabei kommen verschiedene Materialien zum Einsatz. So gibt es Keramik-Kondensatoren oder Elektrolyt Kondensatoren (ElKos).
Experte
Um Platz zu sparen werden die Platten manchmal gerollt. Vorallem bei den größeren Elkos ist das der Standard.
Bei ElKos ist Vorsicht geboten - baut man sie entgegen ihrer Polung ein, können sie platzen! Die Polung erkennt man an der unterschiedlichen Beinlänge und der Markierung auf dem Gehäuse: Die markierte Seite mit dem kurzen Bein ist der negative Pol, das längere Bein ohne Markierung der positive Pol. Wird der ElKo eingebaut, liegt die höhere Spannung am positiven Pol an.
Wie lange es dauert, bis ein Kondensator voll geladen ist, hängt auch mit dem Strom zusammen. Dieser kann über einen Widerstand eingestellt werden, wie zuvor beschrieben. Damit hat man schon eine kleine Schaltung, mit der sich zum Beispiel Zeiten einstellen lassen. Das wird später, bei der astabilen Kippstufe, eine wichtige Rolle spielen!
![]() |
![]() |
|---|---|
| Steckbrett Symbol - Das längere Bein markiert den positiven Pol, der weiße Streifen den negativen Pol. | Schaltplan Symbol - Im Schaltplan ist deutlich markiert, welcher Pol wie verbunden ist. |
LED¶
Von einer LED hat jeder schon mal gehört, sie ist ein praktisches Bauteil auf dem Steckbrett, da man so sehen kann, wie die Schaltung sich verhält. Im Bild des Wassers kann man sie zum Beispiel als Turbine darstellen, sie wandelt elektrische Energie in Licht um. Dabei fällt Spannung ab und ein Strom fließt durch das Bauteil. Wie die Turbine, hat auch die LED eine Richtung - wie beim ElKo gilt hier, dass die Polung beachtet werden muss. Die meisten LEDs haben ein längeres Bein, das den positiven Pol markiert.
Vor der LED wird in der Regel ein Vorwiderstand verbaut, der den Strom durch die LED einstellt. Wird die LED ohne Vorwiderstand direkt an eine Spannungsquelle verbunden, kann sie durchbrennen.
LEDs gibt es in verschiedenen Farben, sie werden mit verschiedenen Spannungen und Strömen betrieben.
Experte
Die LED zeigt ein nicht-lineares Verhalten. Das bedeutet unter anderem, dass sie erst ab einer bestimmten Stromstärke anfängt zu leuchten - wie eine alte Turbine, die schwer anläuft und einen bestimmten Wasserfluss braucht, um zu starten, dann aber schnell auf ihrer Höchstgeschwindigkeit läuft. Sollte die LED also nicht angehen, braucht man vielleicht einen kleineren Vorwiderstand um einen höheren Strom zu erreichen. Dieses Experiment ist das Erste, das in dieser Anleitung für das Steckbrett beschrieben ist.
Super-Expertenwissen
Wusstet ihr, dass man mit einer LED sogar einen Stromfluss erzeugen kann? Ganz genau wie eine Turbine auch Wasser bewegen kann, wenn man Sie dreht. Hier funktioniert die LED ähnlich wie ein Solarpanel. Allerdings ist die Stromstärke sehr gering, da LEDs zum Leuchten optimiert werden.
Transistor¶
Der Transistor ist wohl das komplizierteste Bauteil hier. Er kann aber in diesem Rahmen und in den folgenden Schaltungen als elektrisch gesteuerter Schalter betrachtet werden. Die drei Beine werden als "Kollektor" , "Emitter" und "Basis" bezeichnet. Die Basis ist der Schalthebel und schließt oder öffnet den Schalter zwischen Kollektor und Emitter. Die folgende Abbildung zeigt dieses Verhalten anhand von Wasser. Der Wasserfluss an der Basis drückt eine Klappe auf, die einen größeren Wasserfluss ermöglicht. Bei einem Transistor wird ebenfalls ein großer Strom mit einem kleinen Strom geschaltet.
Experte
Es gibt zwei Transistor Typen, "pnp" und "npn". Sie unterscheiden sich in ihren Polaritäten. In dem Versuch zum Heißen Draht werden beide Transistoren verwendet.
![]() |
![]() |
|---|---|
| Steckbrett Symbol - Die Beine sind Emitter, Basis und Kollektor. | Schaltplan Symbol - der Pfeil markiert den Emitter, links ist jeweils die Basis und unten der Kollektor. |
Experimente auf dem Steckbrett¶
Im Folgenden werden verschiedene Experimente auf dem Steckbrett beschrieben. Die Verbindungen zwischen den Bauteilen erfolgen entweder über die verdrahteten Reihen des Steckbretts oder mit Kabeln. Strom ist zwar farbenblind, für die Übersicht ist es jedoch gut, wenn zumindest die positive Versorgungsspannung mit Rot und die negative Versorgungsspannung mit Blau angeschlossen wird.
Bauteile¶
| Bauteil | Kommentar | Anzahl |
|---|---|---|
| Widerstand | 47 Ω | 2 |
| Widerstand | 100 Ω | 2 |
| Widerstand | 470 Ω | 2 |
| Widerstand | 1 kΩ | 3 |
| Widerstand | 4.7 kΩ | 2 |
| Widerstand | 10 kΩ | 2 |
| Widerstand | 100 kΩ | 2 |
| Potentiometer | 0-1 kΩ | 1 |
| ElKo | 10 µF | 2 |
| ElKo | 100 µF | 2 |
| npn Transistor | BC547 | 2 |
| pnp Transistor | BC557 | 2 |
| LED rot | 2-2.6 V; 10 mA | 2 |
| Taster | Normally Open | 2 |
Warning
Entgegen der Abbildungen der Transistoren auf den Steckbrettern sind die Beine für Kollektor und Emitter bei den zur Verfügung gestellten Bauteile vertauscht und sind somit spiegelverkehrt! Das heißt, dass die halbrunde Seite des gezeigten Transistors der beschrifteten, flachen Seite des gegebenen Transistors entspricht.
Der LED Vorwiderstand¶
Im ersten Versuch wird das Verhalten der LED bei verschiedenen Vorwiderständen getestet. Dazu wird ein Potentiometer in Reihe mit der LED und einem kleinen Widerstand, hier 100\(\Omega\) geschaltet, wie in der folgenden Abbildung zu sehen. Das Potentiometer im Bauteil-Set hat max. 1k\(\Omega\). Die LED leuchtet heller für einen größeren Strom. So kann man beobachten, für welche Potentiometer Einstellung der größte Strom fließt.
Um die LED zu schützen, wird ein konstanter Widerstand (R1) ergänzt.
![]() |
![]() |
|---|---|
| Steckbrett Aufbau | Schaltplan |
Eine LED wird mit einem Vorwiderstand betrieben. Dieser kann hier über das Potentiometer verändert werden. Dadurch ändert sich die Helligkeit der LED. Wenn du möchtest kannst du an dieser Schaltung schon mit dem Multimeter Messungen vornehmen.
Berührungssensor¶
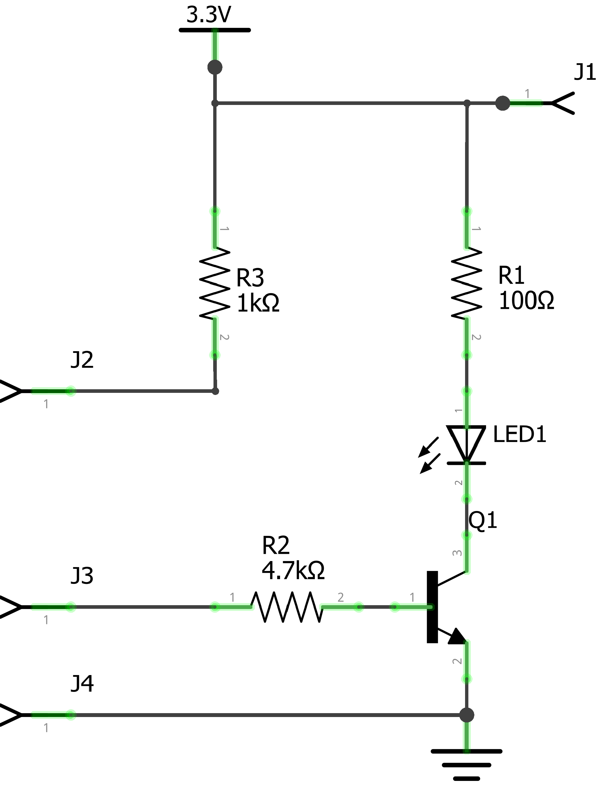
Leitet Haut eigentlich Strom? Und wenn ja, wie gut? Wovon hängt der Widerstand ab? Das sollte nicht mit hohen Strömen und Spannungen getestet werden, lieber mit einem kleinen Aufbau. Der Transistor ist ein npn Transistor (BC547) und die Basis ist über einen Widerstand mit einem der grünen Leiter für den Berührungssensor verbunden. Der Zweite grüne Leiter geht an die positive Spannungsversorgung. Werden sie kurzgeschlossen (die Drähte berühren sich), schaltet der Transistor und die LED leuchtet.
Die beiden Dährte kann man jetzt zum Beispiel an einen Finger halten, in zwei Hände nehmen und beobachten, wie die LED sich verhält. Wie viel Strom durch die LED fließt, hängt auch von dem Strom ab, der an der Basis ankommt. Dieser wird durch den Widerstand an der Basis beeinflusst 1.
Wie viele Personen können sich an der Hand halten, sodass die LED noch leuchtet?
![]() |
![]() |
|---|---|
| Steckbrett Aufbau | Schaltplan |
Sobald eine leitfähige Verbindung zwischen den grünen Kabeln besteht, leuchtet die LED. Wenn du möchtest kannst du an dieser Schaltung schon mit dem Multimeter Messungen vornehmen.
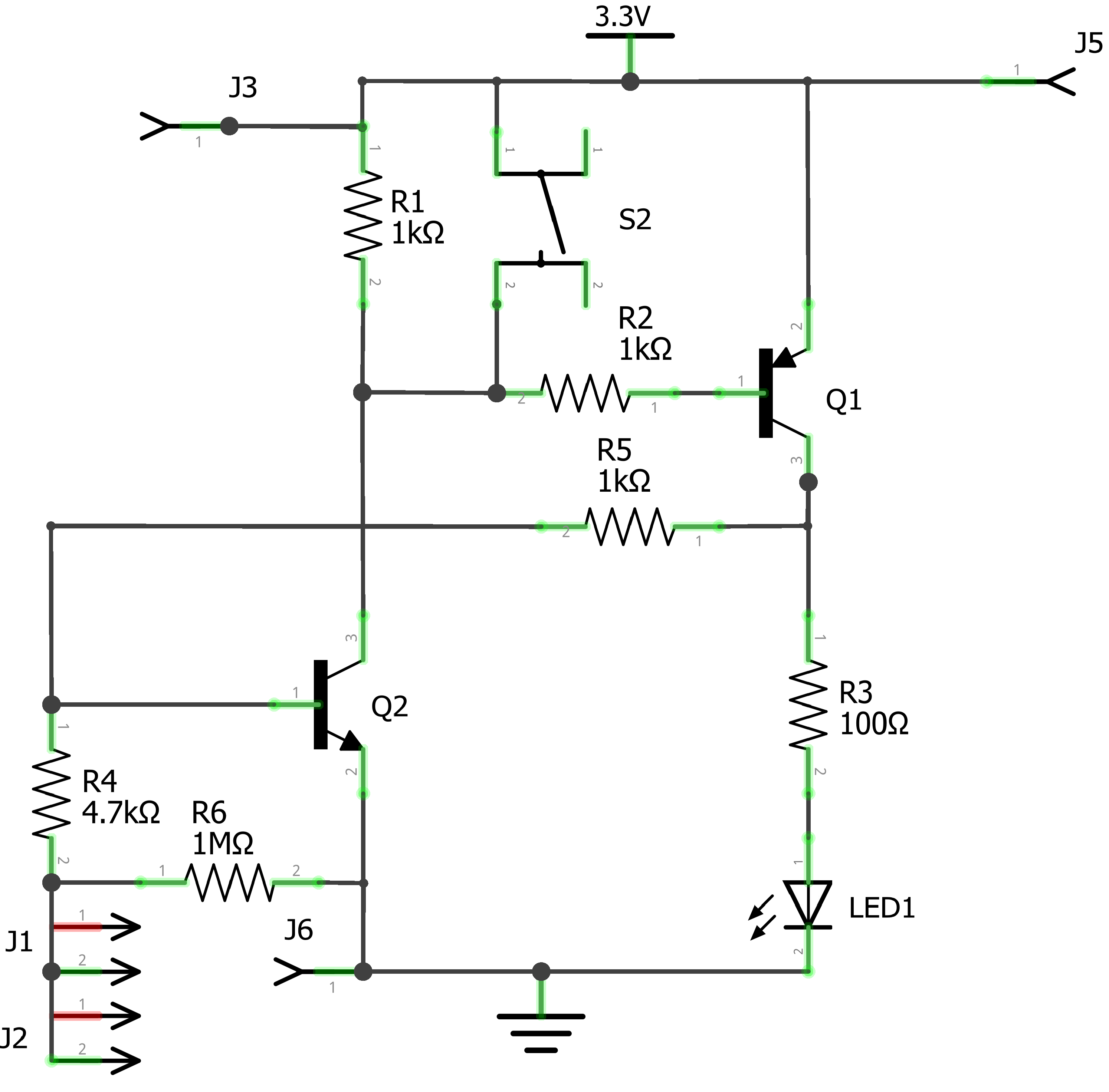
Heißer Draht🔥¶
Für diesen Versuch wird eine Drahtschlaufe und ein langes Drahtstück benötigt. Die Schaltung besteht diesmal aus zwei Transistoren, einem pnp (BC557) und einem npn (BC547). Diese sind so kombiniert, dass die LED bei Berührung der beiden Drähte eingeschaltet wird und an bleibt. Diese Schaltung der Transistoren wird als Latch bezeichnet. Erst wenn der Taster gedrückt wird, setzt sich die Schaltung zurück und die LED erlischt.
Damit entsteht ein kleines Geschicklichkeitsspiel: Die Schlaufe wird über den Draht geführt, dabei dürfen sich Draht und Schlaufe nicht berühren. Und Dank der LED, kann dabei auch fast nicht geschummelt werden! Der Draht muss dabei natürlich nicht gerade bleiben, sondern darf gerne verbogen werden, um das Spiel spannender zu machen 1.
![]() |
![]() |
|---|---|
| Steckbrett Aufbau | Schaltplan |
Die beiden braunen Leiter repräsentieren die Drähte, die für das Spiel Heißer Draht verwendet werden. Berühren sie sich, leuchtet die LED, bis die Schaltung über den Taster zurückgesetzt wird. Wenn du möchtest kannst du an dieser Schaltung schon mit dem Multimeter Messungen vornehmen.
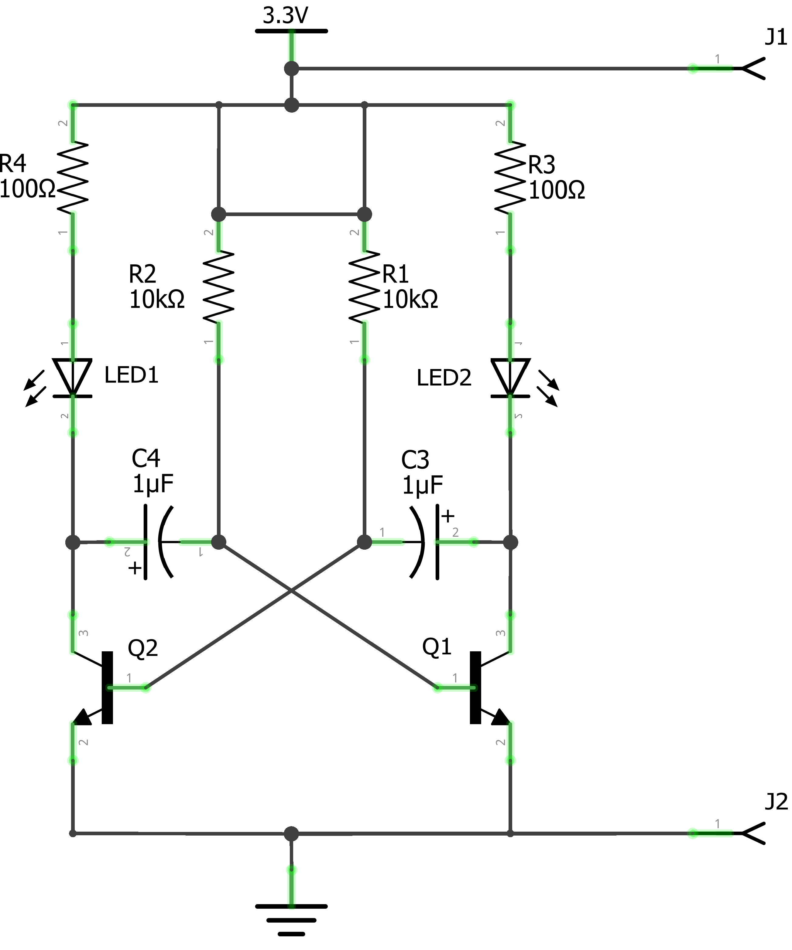
Astabile Kippstufe - Ein Blinker¶
Bei der Astabilen Kippstufe werden Kondensatoren ge- und entladen. Dies geschieht abwechselnd - erst ist eine Hälfte der Schaltung aktiv, der Kondensator wird geladen. Erreicht er eine bestimmte Spannung, wird die andere Hälfte eingeschaltet, der Kondensator entlädt sich. Dieses abwechselnde Schalten sorgt für ein abwechselndes Blinken der LEDs. Abhängig von den verwendeten Widerständen und ElKos ändert sich die Frequenz des Blinkens.
Was passiert wohl, wenn die Kondensatoren unterschiedliche Werte haben?
![]() |
![]() |
|---|---|
| Steckbrett Aufbau | Schaltplan |
Über die Kondensatoren lässt sich die Frequenz einstellen, mit der die LEDs blinken. Wenn du möchtest kannst du an dieser Schaltung schon mit dem Multimeter Messungen vornehmen.













